Published:2009/7/14 20:59:00 Author:May | From:SeekIC

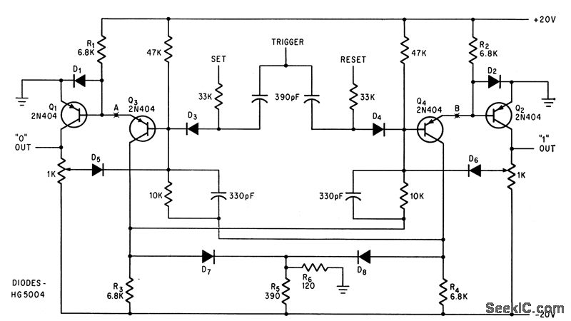
Fan-out of conventional flip-flop is quadrupled by driving bases of amplifiers Q1 and Q2 directly from emitters of Q3 and Q4.-D. J. Grover, Modified Flip-flop Quadruples Fan-Out, Electronics, 38:26, p 67-68.
Reprinted Url Of This Article:
http://www.seekic.com/circuit_diagram/Basic_Circuit/FAN_OUT_TO_60.html
Print this Page | Comments | Reading(3)
Code: