Published:2009/7/2 22:18:00 Author:May | From:SeekIC

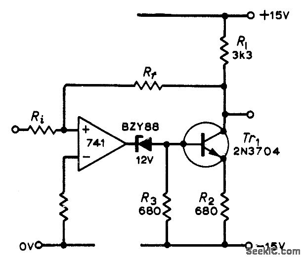
Single transistor stage at output of opamp increases slewing rate by factor equal to gain of transistor stage. Choose R1 to meet output impedance requirements and current rating of supply. R2 is then made equal to R1 divided by desired gain of transistor stage. Collector of Tr1 should be at 0 V when output of opamp is 0 V. assuming feedback loop is not closed by Rf. Article gives design equations.-L. Short. Faster Slewing Rate with 741 Op-Amp. Wireless World. Jan. 1973. p 31
Reprinted Url Of This Article:
http://www.seekic.com/circuit_diagram/Basic_Circuit/FASTER_SLEWING.html
Print this Page | Comments | Reading(3)
Code: