Published:2009/7/13 6:13:00 Author:May | From:SeekIC

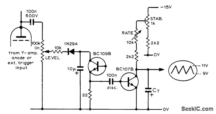
Simple modern time-base circuit using transistors can be added to old oscilloscopes that have only a synchronized free-running sweep. Size of CT determines sweep rate. When timing capacitor CT charges to breakdown voltage of reverse biased BC107B, capacitor is quickly discharged until voltage drops about 2 V and transistor assumes its high-resistance state again for start of next sweep.-K. Padmanabhan, Timebase Circuit, Wireless World, June 1974, p 196.
Reprinted Url Of This Article:
http://www.seekic.com/circuit_diagram/Basic_Circuit/FAST_FLYBACK_2_V_SAWTOOTH.html
Print this Page | Comments | Reading(3)
Code: