Published:2009/7/15 2:07:00 Author:Jessie | From:SeekIC

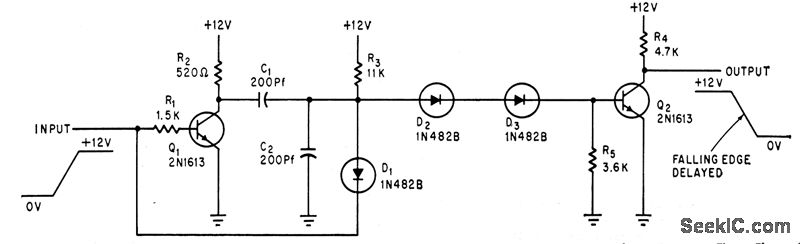
Addition of C2 to basic circuit reduced recovery time from 2 microsec to 0.5 microsec. Used in computers.-L. C. Radzik and J. J. Curtis, Adding A Component Reduces Recovery Time. Electronics.38:2,p78-79
Reprinted Url Of This Article:
http://www.seekic.com/circuit_diagram/Basic_Circuit/FAST_RECOVERY.html
Print this Page | Comments | Reading(3)
Code: