Published:2009/7/16 10:49:00 Author:Jessie | From:SeekIC

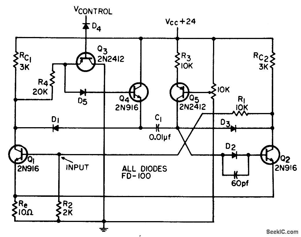
Dynamic period can be varied linearly over range of 20 to 425 microsec. Retrigger time is only 3 microsec for short periods and 14 microsec for longest periods. Circuit is conventional except for d-c isolation diode D1 and drive resistor R4.-R. S. Hughes, A linear, Voltage-Variable One-Shot With Fast Retrigger Time, EEE, 13:5, p 78-79.
Reprinted Url Of This Article:
http://www.seekic.com/circuit_diagram/Basic_Circuit/FAST_RECOVERY_ONE_SHOT.html
Print this Page | Comments | Reading(3)
Code: