Published:2009/7/16 13:05:00 Author:Jessie | From:SeekIC

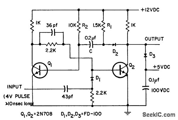
Has long delay time along with fast rise and fall times (each 30 nsec). Pulse amplitude is clamped at 5 V.-Fast Turnoff Monostable Multivibrator, Electronic Circuit Design Handbook, Mactier Pub. Corp., N.Y., 1965, p 69.
Reprinted Url Of This Article:
http://www.seekic.com/circuit_diagram/Basic_Circuit/FAST_TURNOFF_MONO.html
Print this Page | Comments | Reading(3)
Code: