Published:2009/7/12 23:12:00 Author:May | From:SeekIC

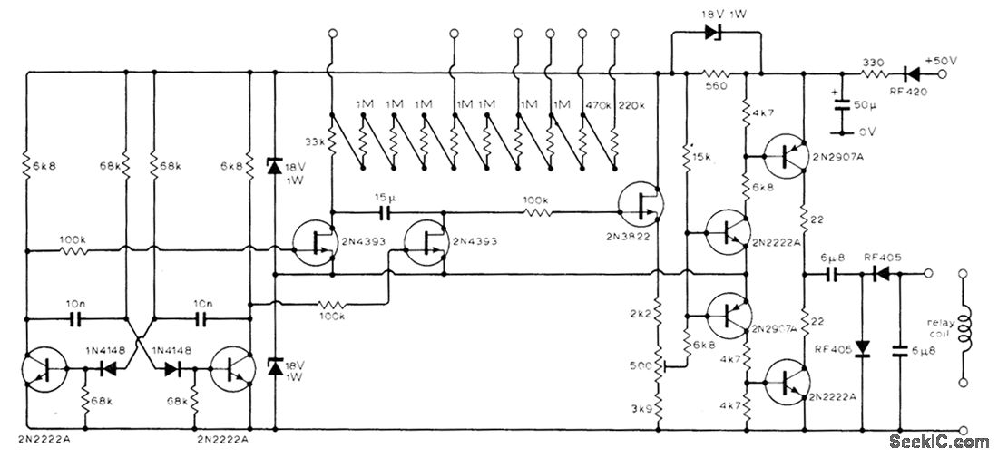
Provides delays up to 4 min, adiustable in 2-s steps, with accuracy better than 5%. Patented circuit was developed by ML Engineering to provide appropriate automatic braking or other action if engineer on train fails to respond to signal within period of delay.-W.E. Anderton,Computers,Communication and High Speed Railways,Wireless World, Aug,1975,p 348-353.
Reprinted Url Of This Article:
http://www.seekic.com/circuit_diagram/Basic_Circuit/FAlL_SAFE_TIMER_FOR_TRAlNS.html
Print this Page | Comments | Reading(3)
Code: