Published:2009/7/10 2:08:00 Author:May | From:SeekIC

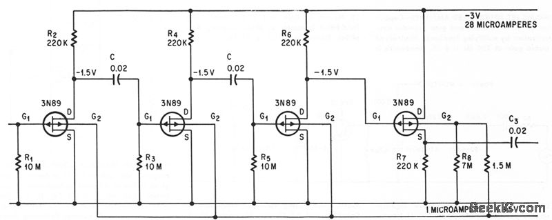
Voltage gain is 60 db from 1 cps to 30 kc, with O.5 v rms maximum output voltage, for power drain under l00 microwatts. First three transistors should be matched.-J. S. Sherwin, An FET Micropower Amplifier, Electtonics, 37:31, p 74-75.
Reprinted Url Of This Article:
http://www.seekic.com/circuit_diagram/Basic_Circuit/FET_MICROPOWER.html
Print this Page | Comments | Reading(3)
Code: