Published:2009/7/9 23:13:00 Author:May | From:SeekIC

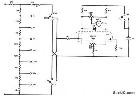
This FETVM replaces the function of the VTVM and rids the instrument of the usual line cord. In addition, FET drift rates are far superior to vacuum tube circuits, allowing a 0.5 V full-scale range which is impractical with most vacuum tubes. The low leakage, low noise NPD8303 is ideal for this application.
Reprinted Url Of This Article:
http://www.seekic.com/circuit_diagram/Basic_Circuit/FET_VOLTMETER_1.html
Print this Page | Comments | Reading(3)
Code: