Published:2009/7/5 22:29:00 Author:May | From:SeekIC

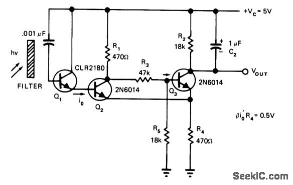
Sensor is silicon Darlington phototransistor Q1 having peak response near infrared bands. Filter is re quired to reduce interference from visible light sources. Circuit is sensitive enough to pick up hydrogen flames that emit no visible light. Article describes operation of circuit and gives design equations. Output can go directly to input port of microprocessor.-A. Ames, This Flame Detector Interfaces Directly to a μP, EDN Magazine, Oct. 20, 1976, p 122 and 124.
Reprinted Url Of This Article:
http://www.seekic.com/circuit_diagram/Basic_Circuit/FLAME_DETECTOR_DRIVES_TTL_LOAD.html
Print this Page | Comments | Reading(3)
Code: