Published:2009/7/19 23:52:00 Author:Jessie | From:SeekIC

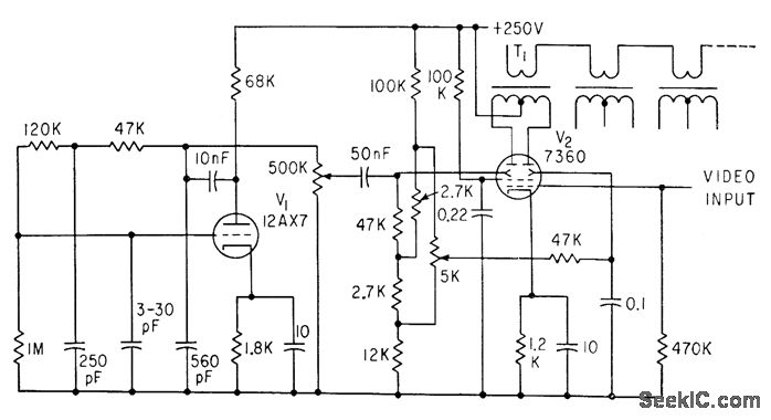
R-C gen erator V1, generating one of nine differ. ent carrier frequencies, feeds defection plate of beam deflection tube V2, while video modulation from camera is fed to grid 1 of V2 to modulate the carrier.-B. Binggeli and E. Fatuzzo, Solid-State Panels: Will They Bring Flat-Display TV?, Electronics, 35:26, p 67-70.
Reprinted Url Of This Article:
http://www.seekic.com/circuit_diagram/Basic_Circuit/FLAT_TV_GENERATOR_MODULATOR.html
Print this Page | Comments | Reading(3)
Code: