Published:2009/7/3 1:44:00 Author:May | From:SeekIC


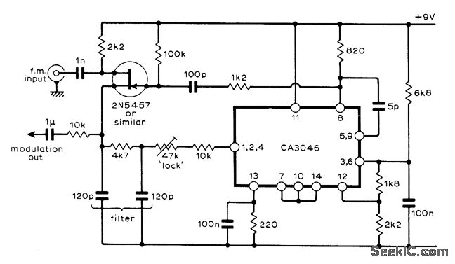
Uses RCA CA3046 IC IF amplifier connected as highly linear voltage-controlled oscillator, in phase-locked loop configuration capableof handling 10.7-MHz amplitude-limited FM input as FM demodulator.Output AF signal is about 20 mV for 75-kHz deviation. FET serves as synchronouschopper type of phase-sensitive detector.-J. L. Linsley Hood, Linear Voltage Controlled Oscillator, Wireless World, Nov. 1973, p 567-569.
Reprinted Url Of This Article:
http://www.seekic.com/circuit_diagram/Basic_Circuit/FM_DEMODULATOR_1_.html
Print this Page | Comments | Reading(3)
Code: