Published:2009/7/2 22:53:00 Author:May | From:SeekIC

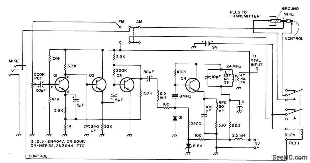
Developed to permit FM operation on AM transceiver. Consists of microphone preamplifier, driver amplifier, and 8-MHz crystal oscillator providing 24-MHz output.Audio from modulator drives variable-capacitance diode D1 (which can be silicon switching diode) in oscillator circuit. Adapter feeds AM transmitter in which frequency multipliers inGrease deviation to about 8.5 kHz,To reduce deviation for narrow-band FM,adjust 500K pot in preamρ.-R .Orozco,Jr.,Put That AM Rig on FM,73 Maga,April 1976,p 34-35.
Reprinted Url Of This Article:
http://www.seekic.com/circuit_diagram/Basic_Circuit/FM_MODULATOR_.html
Print this Page | Comments | Reading(3)
Code: