Published:2009/7/8 21:55:00 Author:May | From:SeekIC

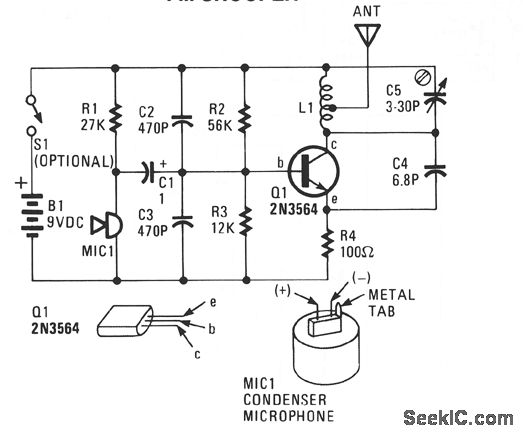
The FM Snooper is an FM transmitter that radiates a continuous wave whose frequency is alteredaccording to the sound waves striking the microphone. An ordinary FM broadcast recelver detects thetransmitter’s output carner. When 9-V battery,B1,is connected,a brief Surge of current flows from the collector to the emitter of Q1,causing an alternating current,shock oscillation in the resonant LC circuit,to flow back and forth between L1 and C5. So,by varying the value of C5,you can tune the oscillations to the exact frequency desired。Although tuning capacitor C5 accounts for the major part of the tuning capacitance,the capacitance between the base and the collector of Q1 has a small,but noticeable,effect on the oscillati frequency. That capacitance,which is known as the junction capacitance,is not a fixed value,but instead vanes when the voltage on the base of the transistor vanes. Sound waves striking the microphone induce a voltage that vanes in time with the sound. That voltage is applied via C1 to the base ofQ1,thereby frequency modulating the transmitter.
Reprinted Url Of This Article:
http://www.seekic.com/circuit_diagram/Basic_Circuit/FM_SNOOPER.html
Print this Page | Comments | Reading(3)
Code: