Published:2009/6/30 2:56:00 Author:May | From:SeekIC

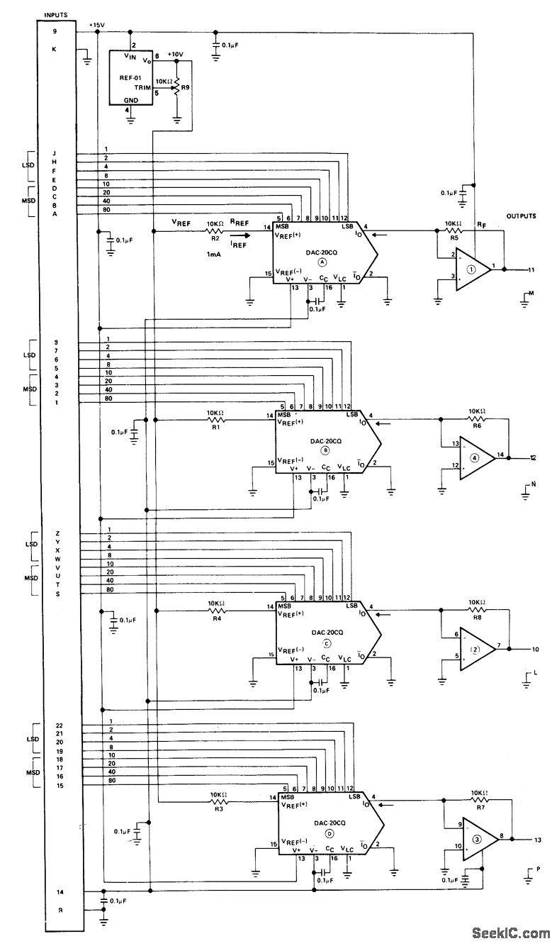
Uses four Precision Monolithics DAC-20CQ 2-digit BCD D/A con verter, OP-11FY precision quad opamp, and REF-01HJ +10 V voltage referenceto convert 2-digit BCD input coding to proportional analog 0 to +10 V output for each of four channels.Same configuration will handle binary inputs, as covered in application note. For output range of 0 to +5 V, change voltage reference to REF-02.—D. Soderquist, Low Cost Four Channel DAC Gives BCD or Binary Coding, Precision Monolithics, Santa Clara, CA, 1977, AN-26, p 3.
Reprinted Url Of This Article:
http://www.seekic.com/circuit_diagram/Basic_Circuit/FOUR_CHANNEL_BCD.html
Print this Page | Comments | Reading(3)
Code: