Published:2009/7/7 20:28:00 Author:May | From:SeekIC

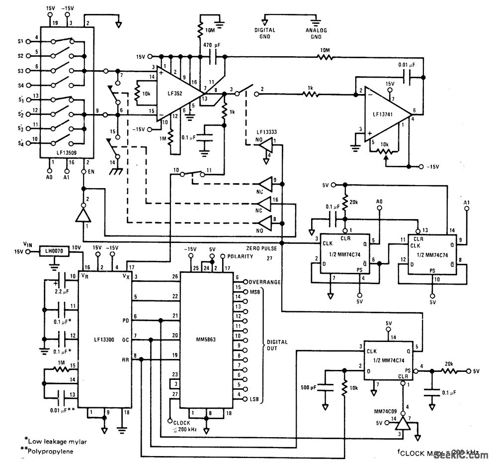
Low-speed high-accuracy data acquisition unit acquires analog input signal differentially with LF13509 IC and preconditions it through LF352 instrumentation amplifier having automatic zeroing circuit. Timing is provided by MM5863 12-bit A/D converter and lower MM74C74 flip-flop. Upper two flip-flops form 2-bit up counter for channel select. Instrumentation amplifier is zeroed at power-up and after each conversion. Maximum clock frequency depends on required accuracy and minimum zeroing time of instrumentation amplifier.- MOS/LSI Databook, National Semiconductor, Santa Clara, CA, 1977, p 5-2-5-22.
Reprinted Url Of This Article:
http://www.seekic.com/circuit_diagram/Basic_Circuit/FOUR_CHANNEL_DIFFERENTIAL.html
Print this Page | Comments | Reading(3)
Code: