Published:2009/7/2 1:06:00 Author:May | From:SeekIC

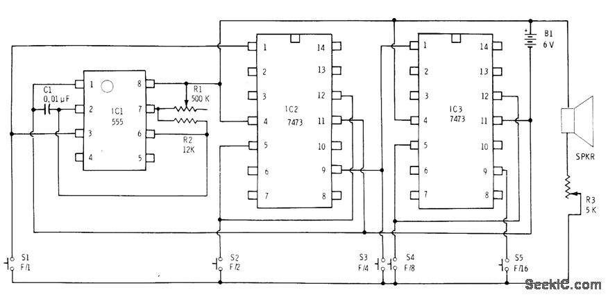
Two 7473 dual flipflops provide four frequency dividers for 555 timer connected as master tone generator. S1 gives fundamental frequency. and each succeedlig switch gives tones precisely one octave lower. Four organ applications, pushbutton switches are added to timer circuit for switching frequency-controlling capacitors or resistors to give desired variety of notes.-F. M. Mims.″Electronic Music Proiects.vol 1.″Radio Shack.Fod Wodh.TX.1977.2nd Ed.p45-53.
Reprinted Url Of This Article:
http://www.seekic.com/circuit_diagram/Basic_Circuit/FOUR_OCTAVE_ORGAN.html
Print this Page | Comments | Reading(3)
Code: