Published:2009/7/11 2:48:00 Author:May | From:SeekIC

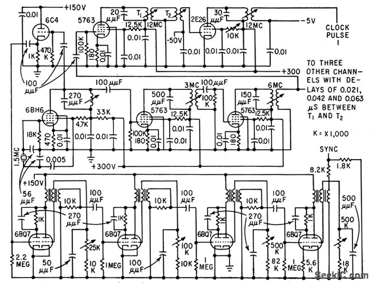
To minimize litter of synchronizing signals, fundomentcd frequency is chosen at one-eighth of dock rate or 1.5 Mc. Oscillator output is fed through two doubler stages and split into three channels, each having additional doubler followed by power amplifier, to provide low output impedance at any reasonable power level.-G.O. Olson, Design of High-Frequency Clock Pulse Generators, Electronics, 32:35, p56-57.
Reprinted Url Of This Article:
http://www.seekic.com/circuit_diagram/Basic_Circuit/FOUR_PHASE_12_MC_CLOCK.html
Print this Page | Comments | Reading(3)
Code: