Published:2009/7/10 22:45:00 Author:May | From:SeekIC

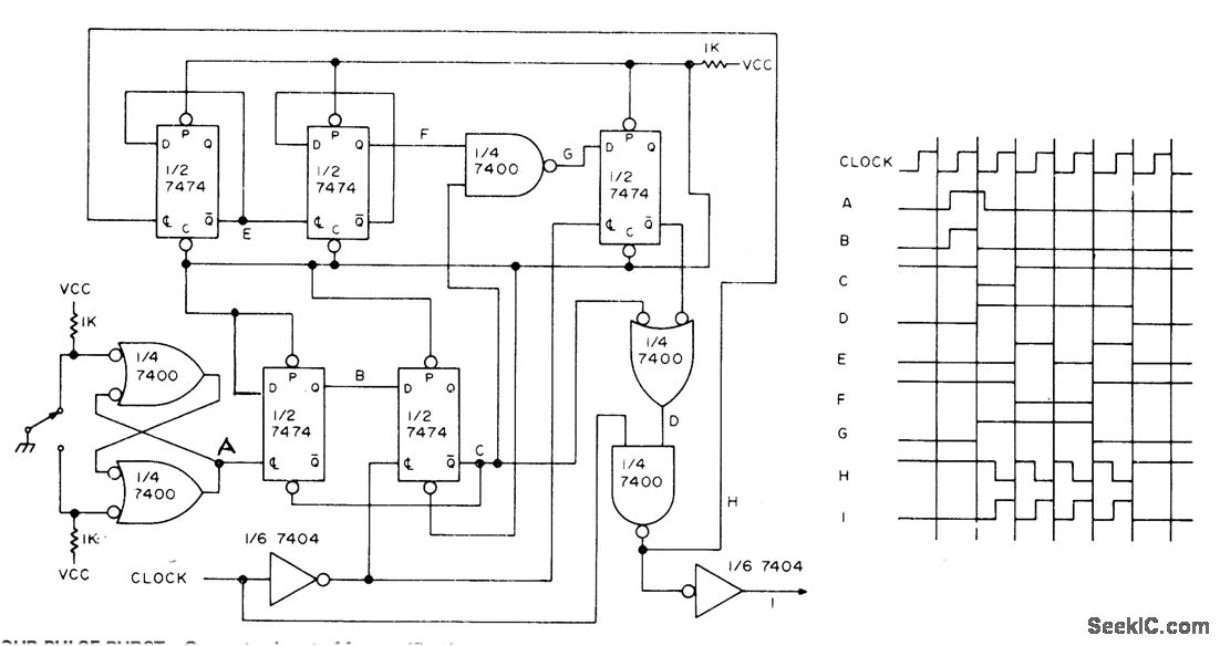
Generates burst of four clock pulses each time switch is pressed, Modifications ean produce any desired number of pulses in burst. Reliability of pulse count is ensured by use of debouncing latch using pair of 7400 gates,VCC is +5V,-E.E.Hrivnak,House Cleaning the Logical Way,73 Magazine, Aug.1974,p 85-90.
Reprinted Url Of This Article:
http://www.seekic.com/circuit_diagram/Basic_Circuit/FOUR_PULSE_BURST.html
Print this Page | Comments | Reading(3)
Code: