Published:2009/6/30 1:36:00 Author:May | From:SeekIC



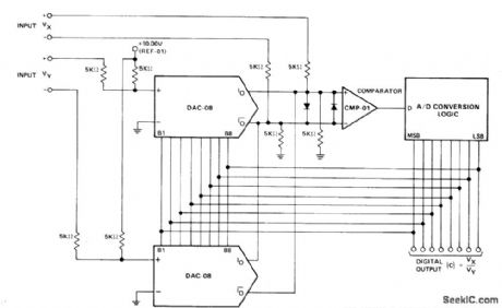
Uses Precision Monolithics DAC-08 D/A converters and CMP-01 comparator to drive successive-approximation conversion logic using REF-01 +10 V reference and 2502-type successive-approximation register. Imputs VX are connected conventionally, and inputs VY are connected in multiplying fashion. IREF for both DACs is modulated between 1 and 3 mA. Resulting output currents are differentially transformed into voltages by 5K resistors at comparator inputs and compared with VX differential input. When conversion process is complete (comparator inputs differentially nulled to less than 1/2 LSB), digital output corresponds to quotient VX/VY. Diodes are 1N4148.—J. Schoeff and D. Soderquist, Differential and Multiplying Digital to Analog Converter Applications, Precision Monolithics, Santa Clara, CA, 1976, AN-19, p 5.
Reprinted Url Of This Article:
http://www.seekic.com/circuit_diagram/Basic_Circuit/FOUR_QUADRANT_RATIOMETRIC.html
Print this Page | Comments | Reading(3)
Code: