Published:2009/7/14 3:16:00 Author:May | From:SeekIC

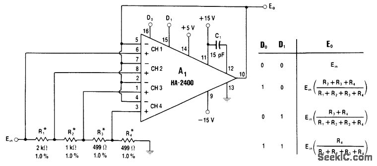
HA-2400 four-channel programmable amplfiier is used as non-inverting four-state attenuator controlled by logic inputs 0 and 1 to D0 and D1. Output voltage for each logic combination is given in truth table. Values shown provide gains of 1, 1/2, 1/4 and 1/8.-W. G. Jung, IC Op-Amp Cookbook, Howard W. Sams, Indianapolis, IN, 1974, p 429-431.
Reprinted Url Of This Article:
http://www.seekic.com/circuit_diagram/Basic_Circuit/FOUR_STATE_ATTENUATOR.html
Print this Page | Comments | Reading(3)
Code: