Published:2009/7/10 5:30:00 Author:May | From:SeekIC

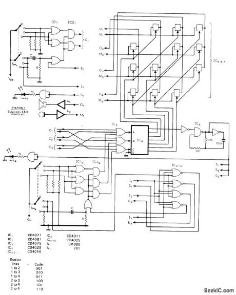
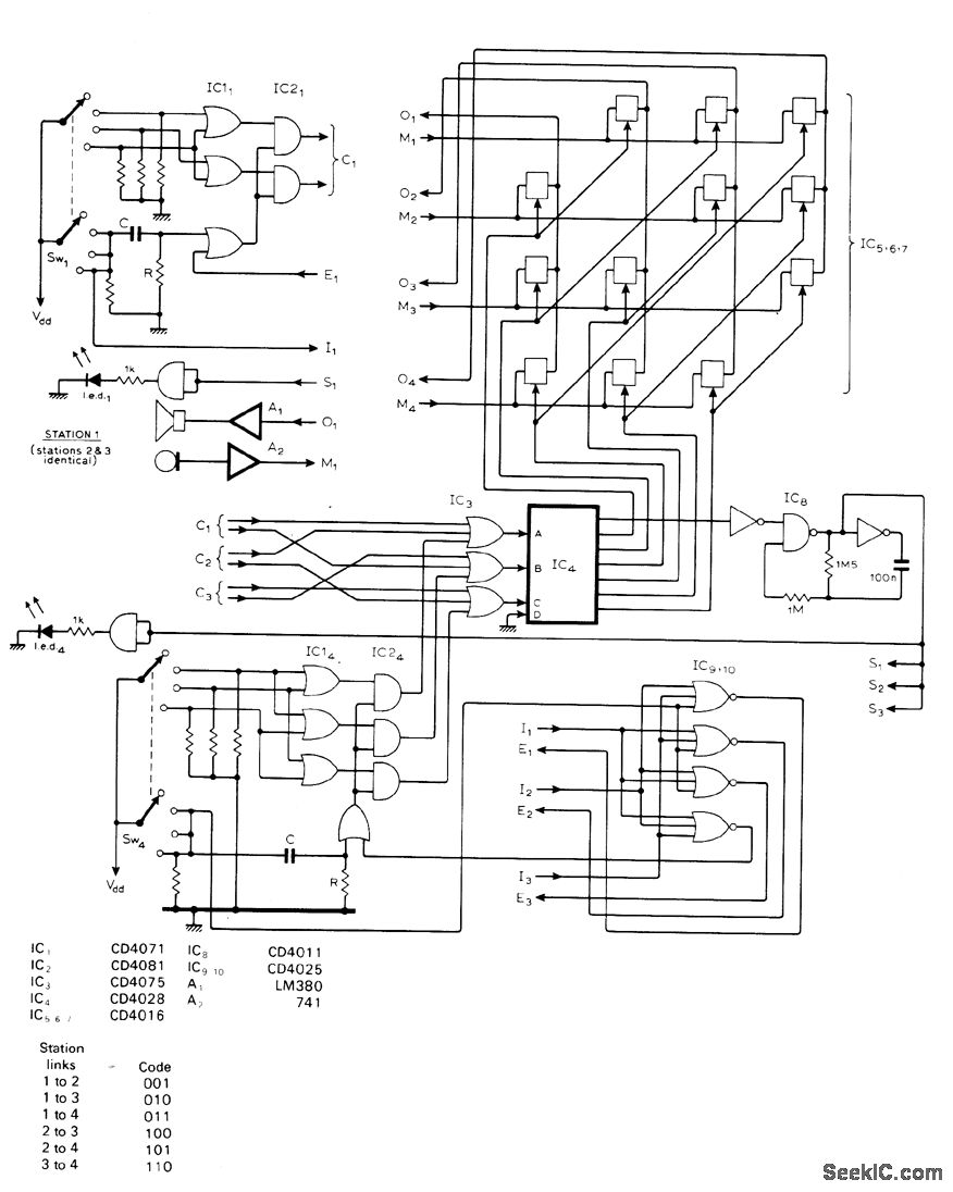
Each station can commumcate pnvately with any one of others.All four stations have identical inputs as at upper left, with fourth station having master circuit. Each two-station combination is assigned 3-bit code as given in table, for selection by switches Sw1-Sw4 All station codes are ORed and decoded by IC4 to drive matrix of analog switches for coupling appropriate audio inputs and outputs. Code 000 is used for systemfree status as indicated by LEDs 1 and 4 being on. LEDs flash for system-busy status. When code is selected, enable inputs of nonselected stations go low to prevent generation of further codes. System can be expanded to six stations by using 4-bit code and CD4514 decoder with larger matrix of analog switches.-B. Voynovich, Multiple Station Two-Way Intercom, Wireless World, March 1978, p 59.
Reprinted Url Of This Article:
http://www.seekic.com/circuit_diagram/Basic_Circuit/FOUR_STATION_TWO_WAY.html
Print this Page | Comments | Reading(3)
Code: