Published:2009/7/15 23:38:00 Author:Jessie | From:SeekIC

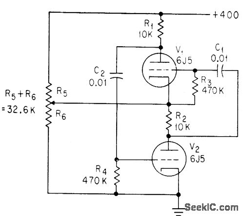
Output signal at cathode of V1 is nearly perfect square wave, either positive or negative depending on setting of potentiometer. -C. Sing, Advantages of Free-Running Cascode Multivibrators, Electronics, 37:5, p 28-29.
Reprinted Url Of This Article:
http://www.seekic.com/circuit_diagram/Basic_Circuit/FREE_RUNNING_CASCODE_MULTIVIBRATOR.html
Print this Page | Comments | Reading(3)
Code: