Published:2009/7/13 4:43:00 Author:May | From:SeekIC

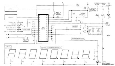
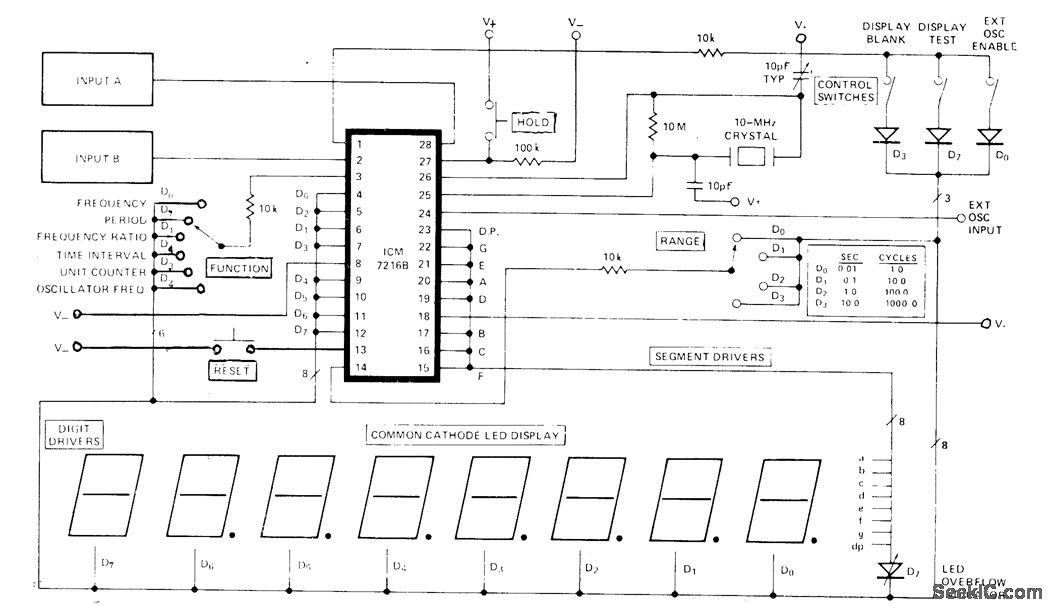
Universal counter with 10-MHz maximum frequency pro-vides multiple functions with minimum number of components. Range of time period measure-ments is 0.5 μs to 10 s. Includes 10-MHz crystal oscillator, multiplex timing with inter digit and leading-zero blanking, as well as overflow indication. Decimal position is selectable. Eight-digit multiplexed LED display outputs of IC can switch up to 250 mA per digit for handling large displays. Maximum supply voltage is 6 V.-Low Cost Universal Counter Performs Wide Range of Functions, Computer Design, Aug. 1978, p 168 and 170.
Reprinted Url Of This Article:
http://www.seekic.com/circuit_diagram/Basic_Circuit/FREQUENCY_PERIOD_EVENT_TIME.html
Print this Page | Comments | Reading(3)
Code: