Published:2009/7/14 22:10:00 Author:Jessie | From:SeekIC

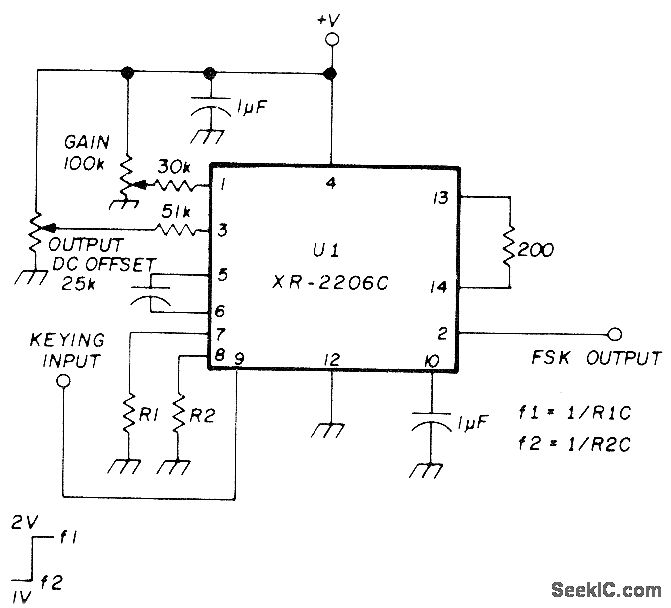
Simple frequency-shift keyer uses Exar XR-2206C IC. Keying input is applied to pin 9. Mark frequency f1 is 1/R1C and space frequency f2 is 1/R2C, with C connected between pins 5 and 6.-E. Noll, VHF/UHF Single-Frequency Conversion, Ham Radio, April 1975, p 62-67.
Reprinted Url Of This Article:
http://www.seekic.com/circuit_diagram/Basic_Circuit/FSK_GENERATOR.html
Print this Page | Comments | Reading(3)
Code: