Published:2009/7/14 23:23:00 Author:Jessie | From:SeekIC

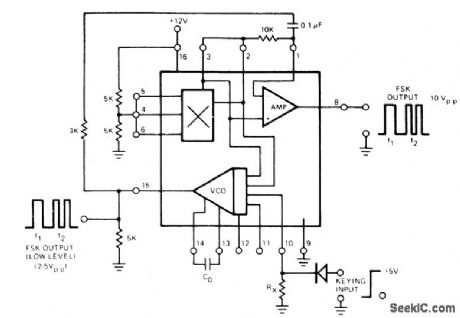
Digital programming capability of Exar XR-215 PLL IC is used to provide shifting of VCO frequency between mark and space frequencies by applying logic pulse to pin 10. Circuit gives 2.5 V P-P output at pin 15 and 1O V P-P output at pin 8, Each output is symmetrical square wave with second harmonic content less than 0.3%. - Phase-Locked Loop Data Book. Exar Integrated Systems, Sunnyvale, CA, 1978, p 21-28.
Reprinted Url Of This Article:
http://www.seekic.com/circuit_diagram/Basic_Circuit/FSK_GENERATOR_1.html
Print this Page | Comments | Reading(3)
Code: