Published:2009/7/9 21:59:00 Author:May | From:SeekIC

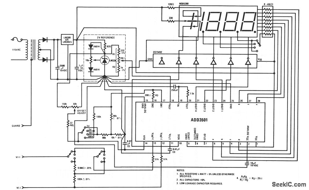
This DVM circuit uses a National ADD3501 DVM chip and an LM336 reference IC to create a simple DVM with relatively few components. When making a single range panel meter, the range switching components can be left out, as required.
Reprinted Url Of This Article:
http://www.seekic.com/circuit_diagram/Basic_Circuit/FULL-SCALE_FOUR_DECADE_3_1_2_DIGIT_DVM.html
Print this Page | Comments | Reading(3)
Code: