Published:2009/6/30 1:40:00 Author:May | From:SeekIC

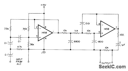
Pair of Bessel-type high-pass filters removes undesired components created by peak clipping during audio signal processing, Developed for use with automatic level control applications of NE571 analog compandor.-W.G. Jung, Gain Control IC for Audio Signal Pro-cessing, Ham Radio, July 1977, p 47-53.
Reprinted Url Of This Article:
http://www.seekic.com/circuit_diagram/Basic_Circuit/Filter_Circuit/SPEECH_FILTER.html
Print this Page | Comments | Reading(3)
Code: