Published:2009/7/13 10:52:00 Author:May | From:SeekIC

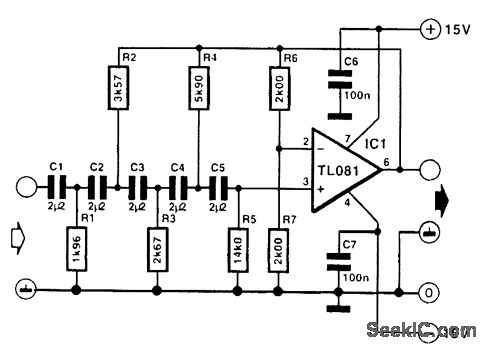
This filter is a fifth-order high-pass section that provides 1 dB attenuation at 20 Hz. Below that, however, the response drops off very steeply; the -3-dB point is at 17.3 Hz, and at 13.6 Hz, the attenuation is 10 dB. Note that it is important that C1 to C5 are within 1 percent of one another. Their individual tolerance is not so important because that merely affects the cutoff point. However, mutual deviation adversely affects the shape of the response, which should be a Butterworth characteristic as specified. All resistors are 1-percent types.
Reprinted Url Of This Article:
http://www.seekic.com/circuit_diagram/Basic_Circuit/Filter_Circuit/SUBSONIC_FILTER.html
Print this Page | Comments | Reading(3)
Code: