Published:2013/6/18 21:07:00 Author:muriel | Keyword: Switch Machines, Coil Common Connection | From:SeekIC


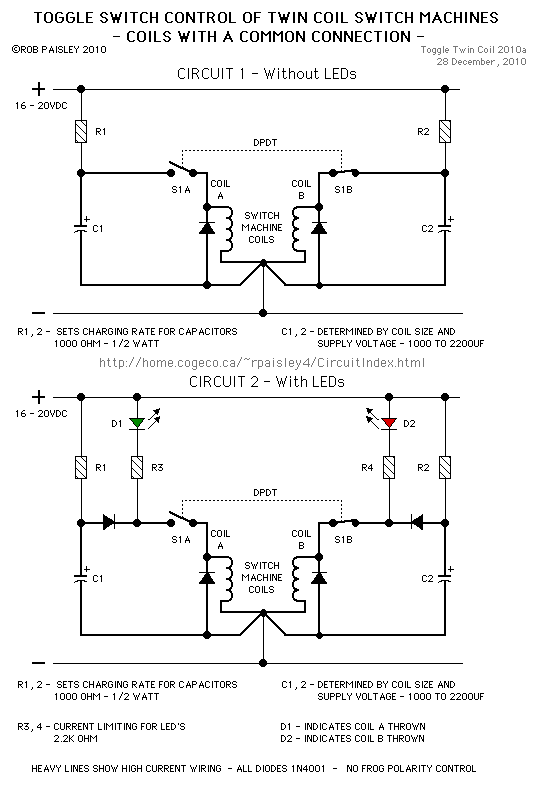
The first three circuits are for use with switch machines that have an unbreakable connection between the two coils such as those made by Atlas®. These circuits can also be used with twin coil switch machines that have separate coils.
The next circuit is a variation on the circuits above. This circuit makes use of all the poles on the DPDT toggle switch.
Reprinted Url Of This Article:
http://www.seekic.com/circuit_diagram/Basic_Circuit/For_Switch_Machines_With_A_Fixed___Coil_Common_Connection.html
Print this Page | Comments | Reading(3)
Code: