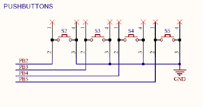
Published:2013/7/9 3:15:00 Author:muriel | Keyword: Four buttons | From:SeekIC

Reprinted Url Of This Article:
http://www.seekic.com/circuit_diagram/Basic_Circuit/Four_buttons.html
Print this Page | Comments | Reading(3)
Code: