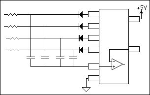
Published:2013/1/25 1:18:00 Author:muriel | Keyword: Four channel, analog mux | From:SeekIC

Reprinted Url Of This Article:
http://www.seekic.com/circuit_diagram/Basic_Circuit/Four_channel_analog_mux.html
Print this Page | Comments | Reading(3)
Code: