Published:2013/5/22 21:47:00 Author:muriel | Keyword: Full Circuit Schematic | From:SeekIC

Reprinted Url Of This Article:
http://www.seekic.com/circuit_diagram/Basic_Circuit/Full_Circuit_Schematic.html
Print this Page | Comments | Reading(3)
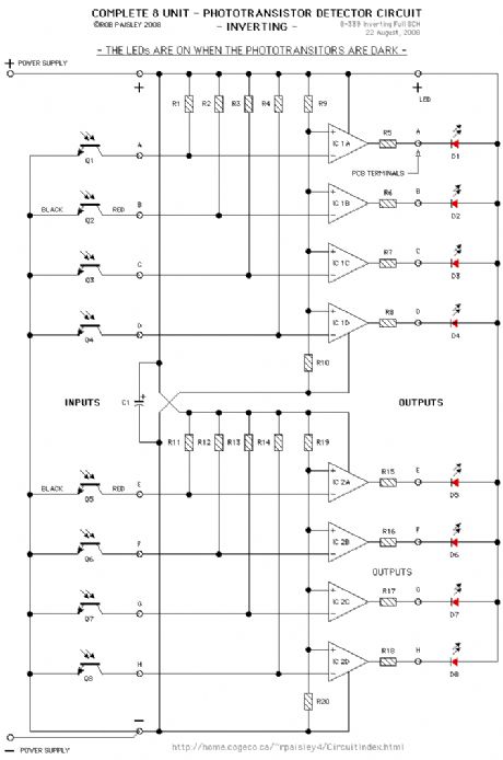
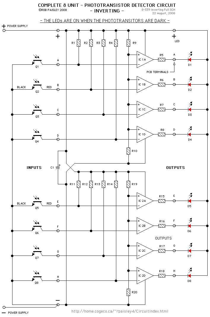
Code: