Published:2009/7/16 2:10:00 Author:Jessie | From:SeekIC


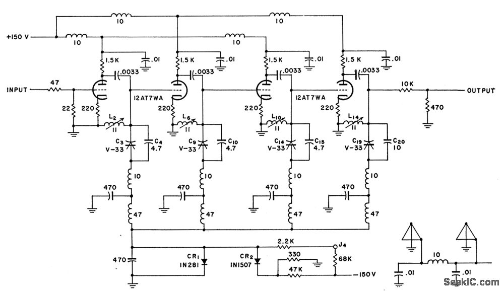
Gives 100-db on-off ratio of 5.5-Mc signal, using small-amplitude positive-pulse gate (about 4 V) with two dual triodes and four tuned circuits with varicaps in each. Tuned circuits are shifted from parallel to series resonance by gating signal.-Gating with Varicaps, Electronic Circuit Design Hand-book, Mactier Pub. Corp., N.Y., 1965, p 211.
Reprinted Url Of This Article:
http://www.seekic.com/circuit_diagram/Basic_Circuit/GAIING_WITH_VARICAPS_AND_TRIODES.html
Print this Page | Comments | Reading(3)
Code: