Published:2009/7/2 7:03:00 Author:May | From:SeekIC

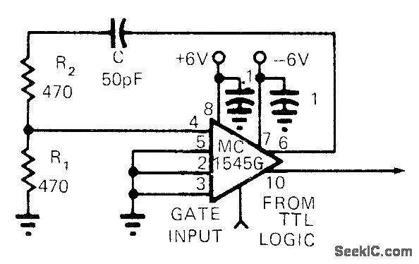
Output always startsVin same phase with respect to gating signal. Frequency-selective network R1-R2-C provides positive feedback around MC15456 gatecontrolled wideband amplifier.-F.Macli, IC Op Amp Makes Gated Oscillator, EDN Magazineļ¼Sept. 1, 1972, p 52.
Reprinted Url Of This Article:
http://www.seekic.com/circuit_diagram/Basic_Circuit/GATED_5_MHz_RELAXATION.html
Print this Page | Comments | Reading(3)
Code: