Published:2009/7/16 2:01:00 Author:Jessie | From:SeekIC

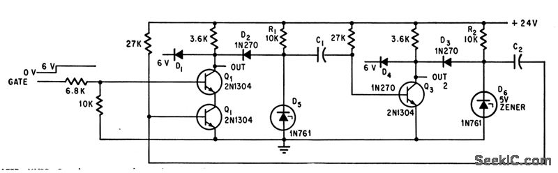
Complementary pulse trains appear at outputs 1 and 2 when gate is applied.-R. Newmeyer, Gated Multivibrator Output Provides Constant Pulse Width, Electronics, 38:26, p 69.
Reprinted Url Of This Article:
http://www.seekic.com/circuit_diagram/Basic_Circuit/GATED_MVBR.html
Print this Page | Comments | Reading(3)
Code: