Published:2009/7/1 20:13:00 Author:May | From:SeekIC

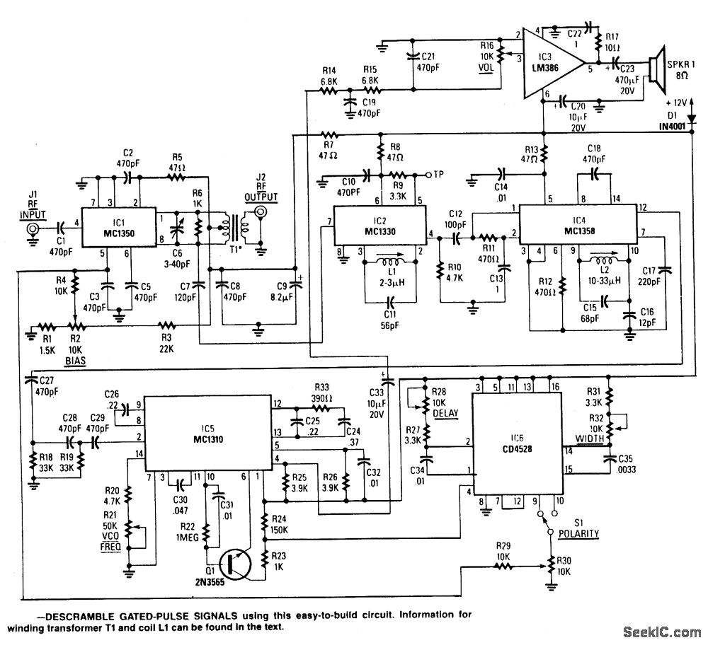
This circuit consists of an amplifier and video detector with a second subcarrier detector for synch recovery purposes. A pulse-former circuit modulates the gain of the main channel increasing it during synch intervals. Provision for subcarrier audio descrambling is also provided. Kit available from North Country Radio, P.O. Box 53, Wykagyl Station, New York 10804.
Reprinted Url Of This Article:
http://www.seekic.com/circuit_diagram/Basic_Circuit/GATED_PULSE_DESCRAMBLER.html
Print this Page | Comments | Reading(3)
Code: