Published:2009/7/1 20:01:00 Author:May | From:SeekIC

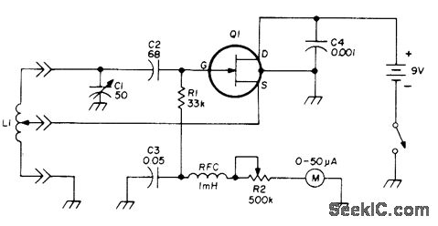
Solid.state-version of vacuumtube grid-dip meter gives dip from 50 to about 20 pA on most bands in range of 1.8 to 150 MHz when dipper is held 1 inch away from resonant circuit under test. Uses Siliconix 2N5398 UHF JFET, but MPFl07 (2N5486) can also be used.Coil tap position is more critical at higher frequencies; adjust tap for most pronounced dip.Article gives coil data for five frequency ranges.-C. G. Miller, Gate-Dip Meter, Ham Radio, June 1977, p 42-43.
Reprinted Url Of This Article:
http://www.seekic.com/circuit_diagram/Basic_Circuit/GATE_DIPPER__1.html
Print this Page | Comments | Reading(3)
Code: