Published:2009/7/14 21:16:00 Author:May | From:SeekIC

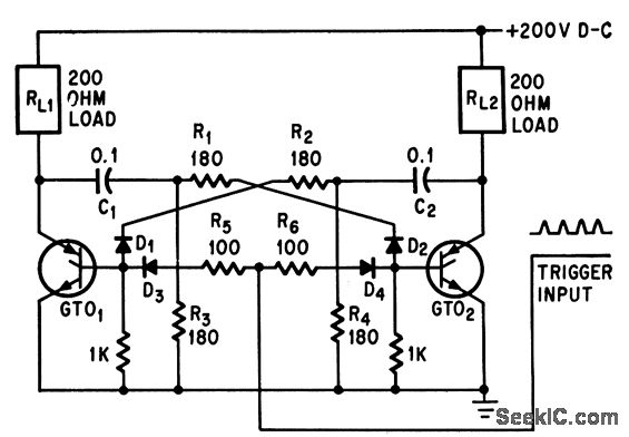
Capacitor-commutated flip-flop transfers current front one load to other each time positive trigger pulse is applied to common input line, at rates up to 10 kc.-D. It. Grafham, Now the Gate Turnoff Switch Speeds Up D-C Switching, Electronics, 37:12, p 64-71.
Reprinted Url Of This Article:
http://www.seekic.com/circuit_diagram/Basic_Circuit/GATE_TURNOFF_SCR_FLIP_FLOP.html
Print this Page | Comments | Reading(3)
Code: