Published:2009/7/3 3:56:00 Author:May | From:SeekIC

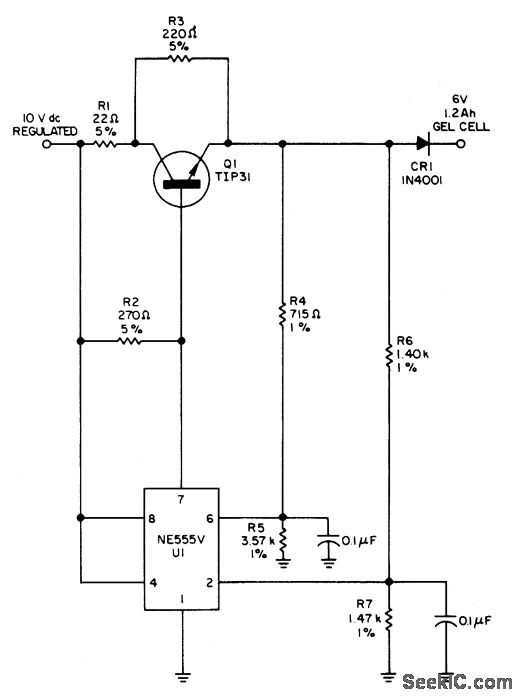
This circuit detects a full-charge state andautomatically switches to a float condition-from240 mA to 12 mA.
Reprinted Url Of This Article:
http://www.seekic.com/circuit_diagram/Basic_Circuit/GEL_CELL_CHARGER.html
Print this Page | Comments | Reading(3)
Code: