Published:2009/7/15 1:56:00 Author:Jessie | From:SeekIC

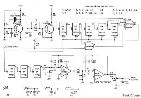
Provides precise 2125- and 2295-Hz audio tones without requiring counter to establish correct frequency, Used for adjusting AFSK oscillator, Crystal can be 459.259 kHz (channel 48), which with appropriate divider chains gives output frequencies accurate within 2 Hz while preserving 170-Hz relative shift within 0.1 Hz. For even greater ac-curacy, order crystal that has been adjusted to exactly 459.000 kHz. When input is grounded, divide ratio is 25 to give 2295 Hz. When input is high, divide ratio is 27 to give 2125 Hz. Pin 11 of U1-U4 and pin 7 of U5 are grounded.-H. Nurse, Crystal Controlled AFSK Generator, Ham Radio, Dec. 1973, p 14-17.
Reprinted Url Of This Article:
http://www.seekic.com/circuit_diagram/Basic_Circuit/GENERATOR_FOR_170_Hz_SHIFT.html
Print this Page | Comments | Reading(3)
Code: