Published:2009/7/10 22:58:00 Author:May | From:SeekIC

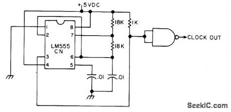
Circuit shown prevents TTL devices from seeing two clock pulses when output of 555 timer has glitch on falling edge atabout 0.8 V.-J Magee,Glitch,73 Magazine, Jan 1976, p10.
Reprinted Url Of This Article:
http://www.seekic.com/circuit_diagram/Basic_Circuit/GLITCH_CORRECTOR.html
Print this Page | Comments | Reading(3)
Code: