Published:2012/8/25 1:21:00 Author:Ecco | Keyword: 6-channel correlator | From:SeekIC


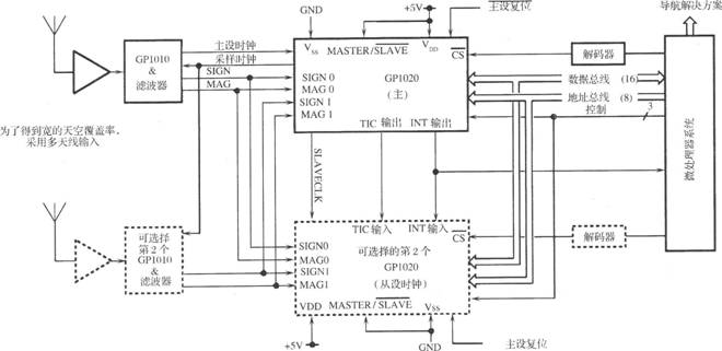
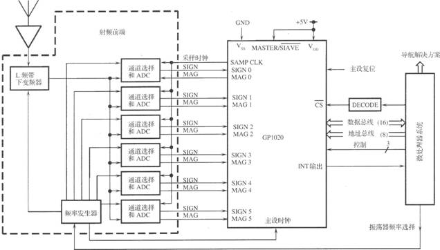
GPl020 is a 6-channel CMOS digital correlator which can be used with GPl010 L1 channel down converter or other integrated circuit to intercept and track the GPS C / A code or GLONASS code. Each channel of 6 channels in GPl020 includes: separate digital downconverted to baseband processing circuit, C / A code generator, correlator and accumulation dump register. GPl020 connects to the interface of a microprocessor by a 16-bit data bus, and it uses different on-chip registers to control the process of acquisition and tracking. The input multiplexer is suitable for GPS front end and GLONASS front end, allowing antenna differences. Supply voltage of the circuit is 5v, power consumption is less than 500mW, and it is available in 120L MQFP package with size in 28mm × 28mm × 3.4mm.
Reprinted Url Of This Article:
http://www.seekic.com/circuit_diagram/Basic_Circuit/GPl020_based_6_channel_correlator_circuit.html
Print this Page | Comments | Reading(3)
Code: