Published:2011/7/16 22:54:00 Author:nelly | Keyword: Gate Isolated, Practical | From:SeekIC

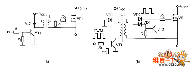
The gate isolated practical driving circuit shown in the picture applies the Pulse transformer. Picture(a) is the simple driving circuit which can control the power in the process of adjustable supply, and its duty circle is 50%. Picture(B) is the gate driving circuit which applies the PWM control, and its duty circle can be changed largely.
(a) simple driving circuit; (b)the driving circuit which has the adjustable duty circle.
Figure, gate isolated practical driving circuit
Reprinted Url Of This Article:
http://www.seekic.com/circuit_diagram/Basic_Circuit/Gate_Isolated_Practical_Driving_Circuit.html
Print this Page | Comments | Reading(3)
Code: