Published:2009/7/15 4:08:00 Author:Jessie | From:SeekIC

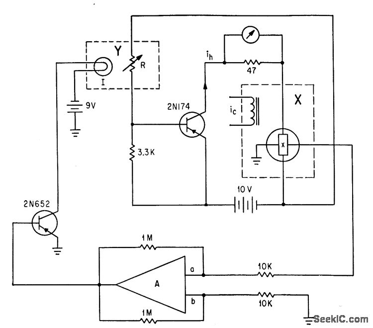
Indium arsenide Hall plate serves as analog multiplier in circuit with photoresistor R and 2N174 grounded-emitter power amplifier that controls drive current of Hall generator. Differential amplifier A in feedback loop including lamp I controls Hall current. -H. H. Wieder, Analog Ratio Computer Uses Hall Multiplier, Electronics, 36:45, p 46-47.
Reprinted Url Of This Article:
http://www.seekic.com/circuit_diagram/Basic_Circuit/HALL_MULTIPLIER_FOR_ANALOG_RATIO_COMPUTER.html
Print this Page | Comments | Reading(3)
Code: