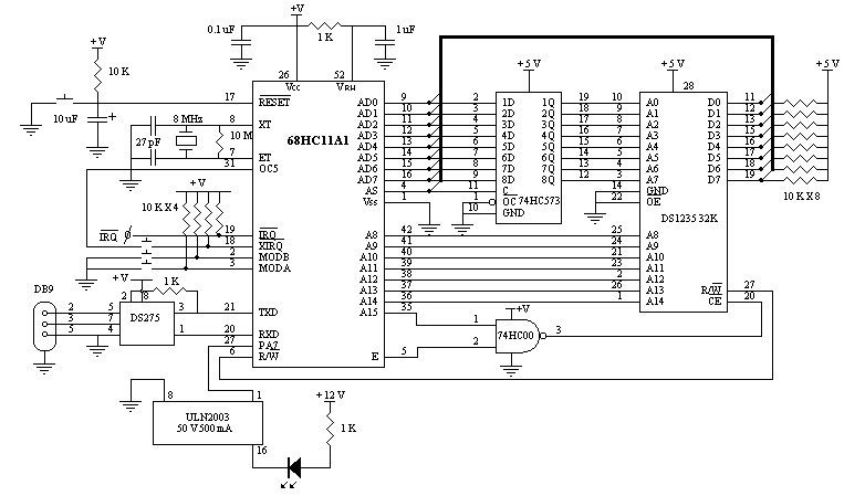
Published:2013/1/30 21:04:00 Author:muriel | Keyword: HC-11, Evaluation Board | From:SeekIC

Reprinted Url Of This Article:
http://www.seekic.com/circuit_diagram/Basic_Circuit/HC_11_Evaluation_Board.html
Print this Page | Comments | Reading(3)
Code: