Published:2009/7/12 21:07:00 Author:May | From:SeekIC

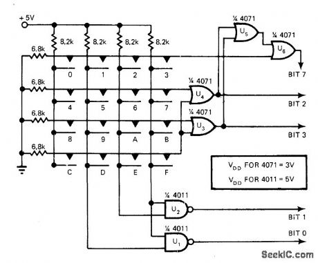
Standard 16-button keyboard is used with CMOS packages to provide hex output bits. Pressing one button increases voltage on its horizontal line from 0 to 2.2 V. If button is in other than first row, OR gate U3 or U4 is activated and either bit 2 or 3 changes from LOW to HIGH. Simultaneously, voltage of vertical column of button decreases from 5 V to 2.2 V. If button is in other than first column, NAND gate U1 or U2 is activated and either bit 0 or 1 changes from LOW to HIGH. OR gates U5 and U6 provide button-pressed signal by changing bit 7 from LOW to HIGH upon activation of any button.-W. H. Hailey, CMOS Logic Implements Keyboard Encoder, EDN Magazine, Aug. 5, 1978, p 54 and 56.
Reprinted Url Of This Article:
http://www.seekic.com/circuit_diagram/Basic_Circuit/HEX_ENCODER_FOR_KEYBOARD.html
Print this Page | Comments | Reading(3)
Code: