Published:2009/7/10 22:25:00 Author:May | From:SeekIC

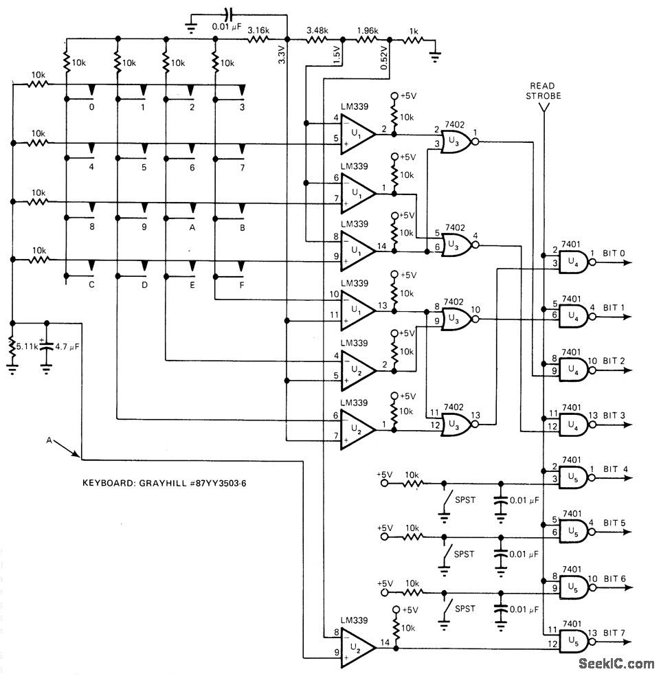
Circuit provides correct hexadecimal output for each key depressed, along with enable level that indicates when key has been pressed, and three switches for providing eight separate codes serving for program control. When no key is pressed, voltage at point A (lower left) and any horizontal keyboard row is 0 V and voltage on any vertical keyboard column is 5 V. When key is pressed, voltage at A becomes 1 V and voltage at selected row and column becomes 3 V. Comparator outputs for U1 and U2 are decoded with N0R gates and strobed onto data lines with open-collector NAND gates.-J. F. Czebiniak, Simple Hex Keyboard Provides Program Control, EDN Magazine, Jan. 5, 1978, p 27-28.
Reprinted Url Of This Article:
http://www.seekic.com/circuit_diagram/Basic_Circuit/HEX_KEBOARD_.html
Print this Page | Comments | Reading(3)
Code: