Published:2009/7/9 22:48:00 Author:May | From:SeekIC

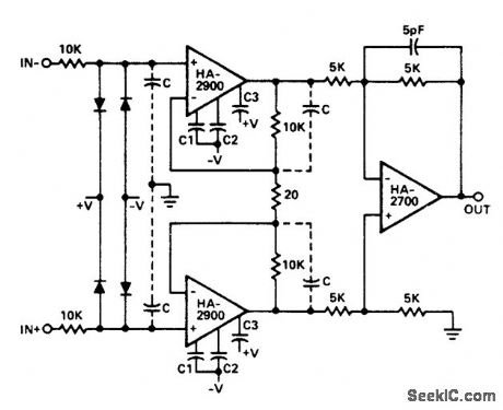
Two Harris HA-2900 chopper-stabilized opamps feed HA-2700 high-performance opamp for instrumentation applications. Circuit provides excellent rejection of ±10 V common-mode input signals. Protection diodes prevent voltages at input terminals from exceeding either power supply. Supply can be ±15 V.- Linear & Data Acquisition Products, Harris Semiconductor, Melbourne, FL, Vol. 1, 1977, p 7-70 (Application Note518).
Reprinted Url Of This Article:
http://www.seekic.com/circuit_diagram/Basic_Circuit/HIGH_IMPEDANCE_DIFFERENTIAL_INPUT.html
Print this Page | Comments | Reading(3)
Code: