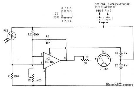
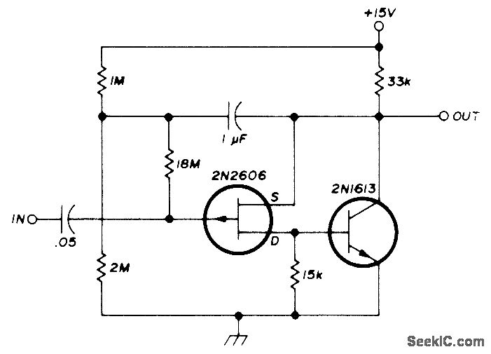
Published:2009/7/9 4:11:00 Author:May | From:SeekIC


Suitablefor use as active probefor CRO,as electrometer,and for instrumentation applications Combination of unipolar and bipolar transistors gives desirable amplifying features of each solid-state device.-I. M. Gottlieb,A New Look at Solid-State Amplifiers,Ham Radio,Feb 1976,p 16一19.
Reprinted Url Of This Article:
http://www.seekic.com/circuit_diagram/Basic_Circuit/HIGH_INPUT_Z.html
Print this Page | Comments | Reading(3)
Code: